DTY Texturing Machine JGT1200HXN

JGT1200HXN processes polyamide (nylon) POY through drawing and false-twist texturing to produce low-stretch nylon DTY. During operation, the DTY texturing machine performs drawing and texturing in a continuous process, allowing nylon POY to develop a stable crimped structure with controlled elasticity and consistent yarn performance.
Equipped with a godet system together with a spandex feeding unit, the nylon DTY machine combines spandex yarn with nylon DTY directly on the production line. Through an air nozzle, the false-twist texturing machine can complete texturing and spandex interlacing in a single process, producing nylon air-covered yarn suitable for elastic textile applications.
JGT1200HXN is suitable for processing yarns in the 20D to 200D range. These yarns are commonly used in the production of nylon air-covered yarn for elastic textile applications such as stretch fabrics, underwear, and functional garments.
| Number of Spindles | Number of Sections | Installed Power | Dimensions (with Fixed Creel) |
|||
| Main Drive | Up Heater | Auxiliary Power | Total Power | |||
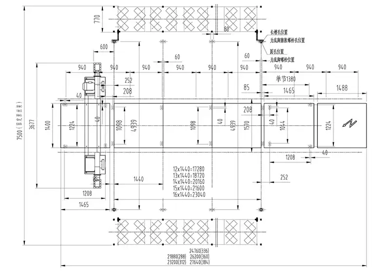
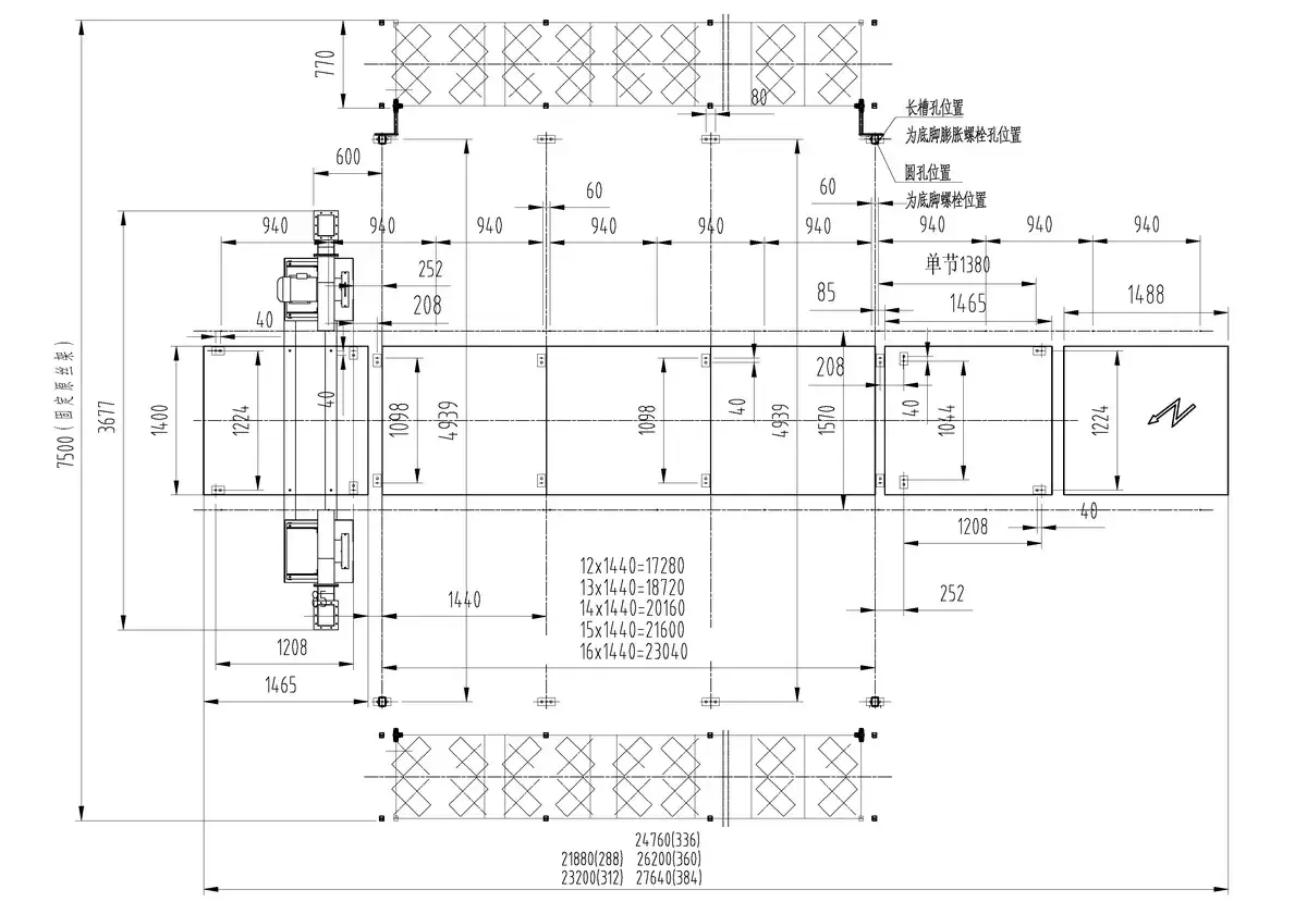
| 288 | 12 | 128.5kW | 81.6kW | Approx. 6kW | 216.1kW | 21880×7500 ×5300mm |
| 312 | 13 | 139.4kW | 88.4kW | 233.8kW | 23320×7500 ×5300mm | |
| 336 | 14 | 152.3kW | 95.2kW | 253.5kW | 24760×7500 ×5300mm | |
| 360 | 15 | 156.1kW | 102kW | 264.1kW | 26200×7500 ×5300mm | |
| 384 | 16 | 185.1kW | 108.8kW | 299.9kW | 27640×7000 ×5300mm | |
| Spindle Pitch | 110mm | |||||
| Max. Mechanical Speed | 1000m/min | |||||
| Applicable Material/Yarn Count Range | Nylon(Polyamide)/22–222 dtex (20–200 denier) | |||||
| Section Pitch | 1440mm | |||||
| False-Twist Texturing Method | Stacked disc type VIII (friction false twist) | |||||
| Friction Disc Size | Ø49.62×6mm | |||||
| Max. Speed of False-Twist Unit | 18000r/min | |||||
| Twist Direction | S/Z adjustable | |||||
| Primary Heater (Texturing Heater) | Biphenyl vapor-phase heating, 2000mm | |||||
| Texturing Heater Temperature Range | 160-250 ℃ | |||||
| Cooling Plate Length | 1100mm (natural cooling) | |||||
| Friction Roller Diameter | Ø100mm | |||||
| Feed Roller Diameter | Ø60mm | |||||
| Oiling Roller Diameter | Ø30mm | |||||
| Spandex Feed Roller Diameter | Ø100mm | |||||
| Spandex Draft Ratio | 1.5-4 | |||||
| Max. Feed POY Package Size | Ø435×250mm | |||||
| Max. Take-up Package Size | Ø250×245mm | |||||
| Standard Package Weight | 5kg | |||||
| Take-up Paper Tube Size | Ø69ר57×290mm | |||||
-
Spandex Feeding UnitThe spandex feeding unit is driven by an independent motor for each spindle. Each spandex yarn is controlled separately, and the A/B sides can be adjusted independently. With each spindle driven by an independent motor, the spandex feed remains stable and drafting stays consistent during composite yarn formation.
-
Winding SystemIt adopts a newly designed bobbin holder and winding system. An updated control algorithm improves winding precision by three times, keeping winding speed variation within one rotation. Three independent oil grooves and an integrated oiling roller help maintain stable winding and consistent package formation.
-
W2X StructureThe godet is designed for strong yarn grip with low yarn damage. Its structure provides strong yarn grip with minimal yarn damage, reduces maintenance and performs well when processing fine denier yarns. The W2 and W2X combination design allows precise yarn tension control, improving interlacing quality while reducing air consumption and production costs.






