False Twist Texturing Machine JGT1000X

These false twist texturing machines process polyester POY into low-stretch DTY, while also allowing spandex to be combined with the DTY directly on the machine. This means the two yarns can be brought together during production instead of being processed separately.
An air nozzle is used to combine the spandex yarn with the textured DTY, which allows texturing and spandex interlaced yarn formation to be completed in one process. This helps simplify production and makes the line suitable for yarns that require both texturing and spandex combination. A double W2 roller structure is included to improve interlacing quality and help maintain better finished yarn quality. To match different factory layouts, customers can choose either a fixed or a rotating creel.
Suitable for air-covered yarn production, which is typically used in products such as suits and premium sleepwear.
| Number of Spindles | 264 | 288 | 312 | 336 | 360 | |
| Number of Sections | 11 | 12 | 13 | 14 | 15 | |
| Installed Power (kW) | Main Drive | 133.6 | 136.98 | 154.54 | 159.5 | 160.46 |
| Up Heater | 74.8 | 81.6 | 88.4 | 95.2 | 102 | |
| Down Heater | 26.4 | 28.8 | 31.2 | 33.6 | 36 | |
| Auxiliary Power | Approx. 6 | |||||
| Total Power | 240.8 | 253.38 | 280.14 | 294.3 | 304.46 | |
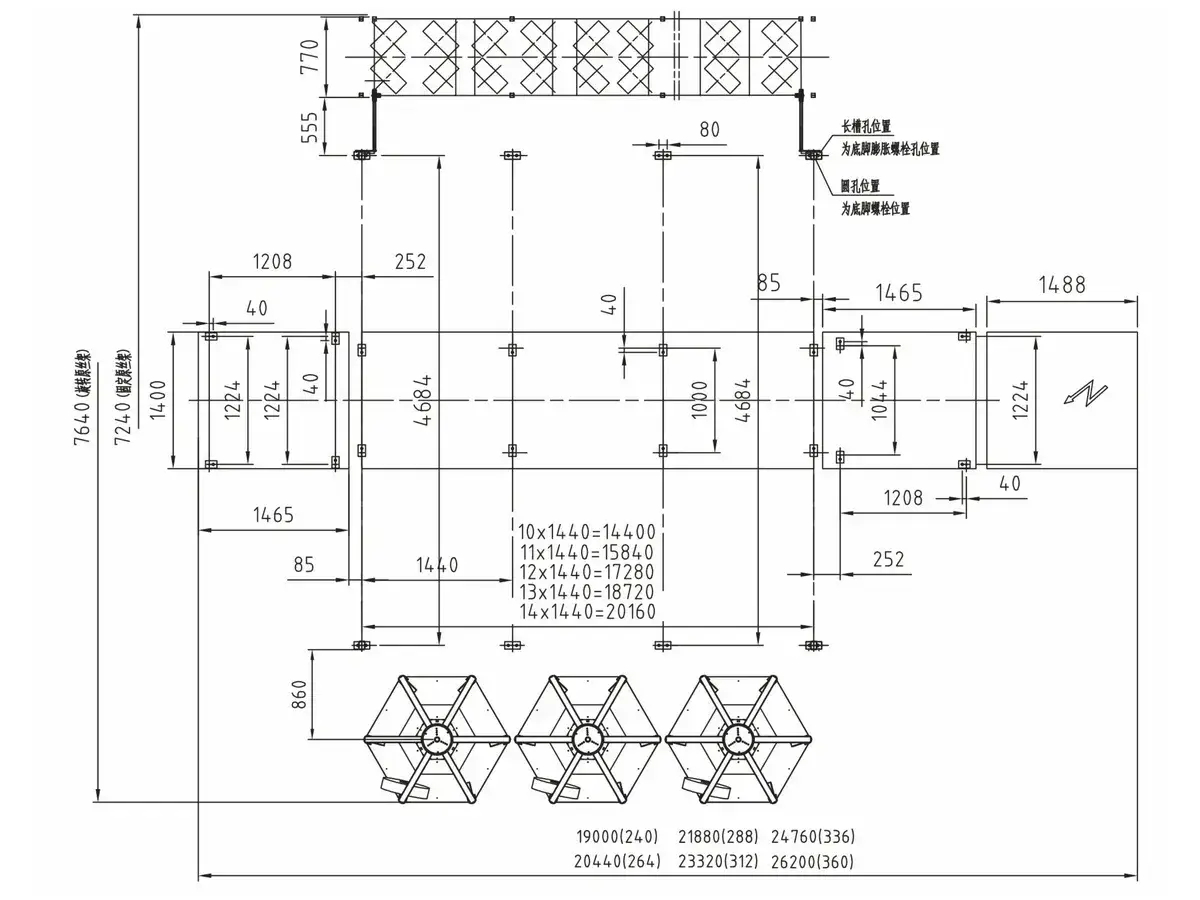
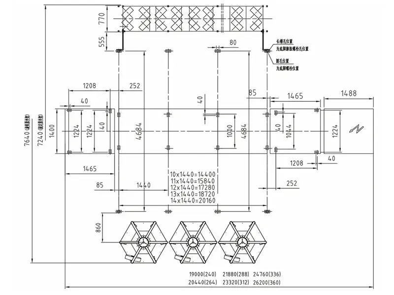
| Dimensions (mm) | Fixed Creel | 20440×7300×5700 | 21880×7300×5700 | 23320×7300×5700 | 24760×7300×5700 | 26200×7300×5700 |
| Rotary Creel | 20440×7700×5700 | 21880×7700×5700 | 23320×7700×5700 | 24760×7700×5700 | 26200×7700×5700 | |
| Spindle Pitch | 110mm | |||||
| Max. Mechanical Speed | 1000m/min | |||||
| Applicable Material/Yarn Count Range | Polyester/55–222 dtex (50–200 denier) | |||||
| Section Pitch | 1440mm | |||||
| False-Twist Texturing Method | Stacked disc type VIII (friction false twist) | |||||
| Max. Speed of False-Twist Unit | 18000r/min | |||||
| Twist Direction | S/Z adjustable | |||||
| Primary Heater (Texturing Heater) | Biphenyl vapor-phase heating, 2000mm | |||||
| Secondary Heater (Setting Heater) | Biphenyl vapor-phase heating, 1460mm | |||||
| Texturing Heater Temperature Range | 160-250℃ | |||||
| Setting Heater Temperature Range | 160-250℃ (low temperature 100-160℃) | |||||
| Cooling Plate Length | 1100mm (natural cooling) | |||||
| Friction Roller Diameter | Ø100mm | |||||
| Feed Roller Diameter | Ø75mm | |||||
| Oiling Roller Diameter | Ø75mm | |||||
| Spandex Feed Roller Diameter | Ø25mm | |||||
| Spandex Draft Ratio | 1.5-4 | |||||
| Max. Feed POY Package Size | Ø435×250mm | |||||
| Max. Take-up Package Size | Ø250×250mm | |||||
| Standard Package Weight | 5kg | |||||
| Take-up Paper Tube Size | Ø69ר57×290mm | |||||
Note: Customers can choose between two creel types: fixed and rotary









