False Twist Texturing Machine JGT1000V
Designed for polyester POY in the 55–222 dtex range, these false twist texturing machines are used to produce low-stretch polyester DTY through drawing and false-twist texturing. When equipped with an air nozzle, they can also be used for interlaced yarn processing.
Power consumption is reduced by around 20% thanks to energy-saving heaters and motors. The direct-drive design, built with one shaft and one motor, also simplifies the transmission system by removing synchronous belts and tension pulleys, which helps the line run more efficiently with fewer failure points. Independent A/B side operation also allows different process settings on each side, making it possible to run two yarn types at the same time. To suit different processing needs, the false-twisting unit uses a stacked disc design with either single-belt or double-belt drive.
JGT1000V is used for processing 50D to 200D yarns, which are suitable for products such as chiffon dresses and premium sleepwear.
| Number of Spindles | Number of Sections | Installed Power | Dimensions (with Fixed Creel) |
||||
| Main Drive | Up Heater | Down Heater | Auxiliary Power | Total Power | |||
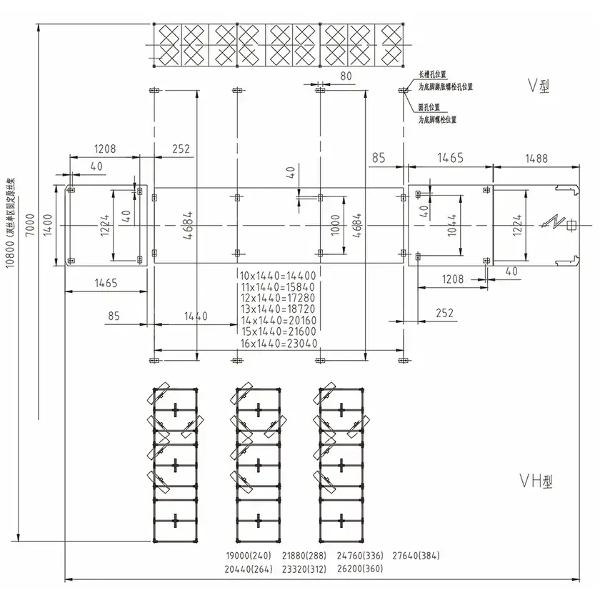
| 264 | 11 | 107.5kW | 74.8kW | 26.4kW | Approx. 6kW | 214.7kW | 20440×7000×5360mm |
| 288 | 12 | 110.5kW | 81.6kW | 28.8kW | Approx. 6kW | 226.9kW | 21880×7000×5360mm |
| 312 | 13 | 122.3kW | 88.4kW | 31.2kW | Approx. 6kW | 247.9kW | 23320×7000×5360mm |
| 336 | 14 | 131kW | 95.2kW | 33.6kW | Approx. 6kW | 265.8kW | 24760×7000×5360mm |
| 360 | 15 | 131kW | 102kW | 36kW | Approx. 6kW | 275kW | 26200×7000×5360mm |
| 384 | 16 | 137kw | 108.8kW | 38.4kW | Approx. 6kW | 290.2kW | 27640×7000×5360mm |
| Spindle Pitch | 110mm | ||||||
| Max. Mechanical Speed | 1000m/min | ||||||
| Applicable Material/Yarn Count Range | Polyester/55–222 dtex (50–200 denier) |
||||||
| Section Pitch | 1440mm | ||||||
| False-Twist Texturing Method | Stacked disc type VIII (friction false twist) |
||||||
| Max. Speed of False-Twist Unit | 18000r/min | ||||||
| Twist Direction | S/Z adjustable | ||||||
| Primary Heater (Texturing Heater) |
Biphenyl vapor-phase heating, 2000mm | ||||||
| Secondary Heater (Setting Heater) |
Biphenyl vapor-phase heating, 1460mm | ||||||
| Texturing Heater Temperature Range | 160–250 ℃ | ||||||
| Setting Heater Temperature Range | 160–250 ℃ (optional: 100–160 ℃ low-temperature biphenyl heating) |
||||||
| Cooling Plate Length | 1100mm (natural cooling) |
||||||
| Friction Roller Diameter | Ø100mm | ||||||
| Feed Roller Diameter | Ø75mm | ||||||
| Oiling Roller Diameter | Ø75mm | ||||||
| Max. Feed POY Package Size | Ø435×250mm | ||||||
| Max. Take-up Package Size | Ø250×250mm | ||||||
| Standard Package Weight | 5kg | ||||||
| Take-up Paper Tube Size | Ø69ר57×290mm | ||||||
-
HeaterEach texturing machine is equipped with two heaters. The first heater and the second setting heater both use vapor-phase heating, with temperature control accuracy of ±1°C. An over-temperature alarm and automatic yarn cutting function also help improve dyeing uniformity and maintain yarn quality.

- Creel
- W1 Yarn Sensor
- W1 Interlacing Unit
- W1 Yarn Cutter
- W1 Roller
- Yarn Pusher Rod
- Twist Stopper
- Upper Heater
- Cooling Plate
- False Twister
- W2 Roller
- Interlacing Unit
- Lower Heater
- W3 Roller
- W3 Yarn Sensor
- Oiling Roller
- Friction Roller
- Grooved Drum
- Suction Pipe
- Trolley
- W3 Interlacing Unit
- W0 Dual Yarn Sensor
- W0 Roller
- W0 Yarn Cutter















