DTY Texturing Machine JGT1200N

JGT1200N processes polyamide (nylon) POY through drawing and false-twist texturing to produce high-elasticity nylon DTY. During operation, the DTY texturing machine carries out drawing and texturing in a continuous process, allowing nylon POY to develop a stable crimped structure with good stretch, bulk, and resilience.
The nylon DTY machine is equipped with a seventh-generation energy-saving heater that uses biphenyl vapor-phase heating. Uniform dyeing performance and consistent yarn quality is guaranteed with a temperature control accuracy of ±1°C, and an over-temperature alarm with automatic yarn cutting. It also adopts a newly designed bobbin holder and winding system. With an updated control algorithm, winding precision is improved threefold, keeping winding speed variation within one rotation. Three independent oil grooves and an integrated oiling roller help support stable winding and reliable package formation.
JGT1200N is suitable for processing yarns in the 20D to 200D range. These yarns are commonly used in products such as quick-dry garments and dresses.
| Number of Spindles | Number of Sections | Installed Power | Dimensions (with Fixed Creel) |
|||
| Main Drive | Up Heater | Auxiliary Power | Total Power | |||
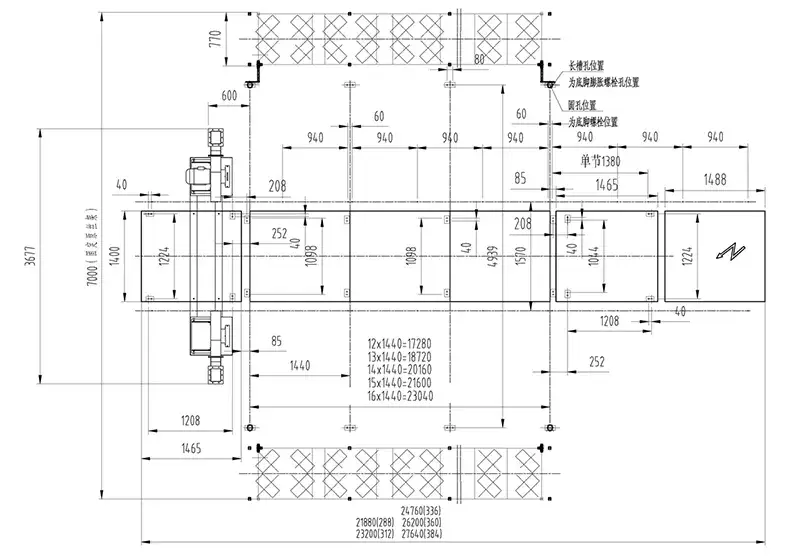
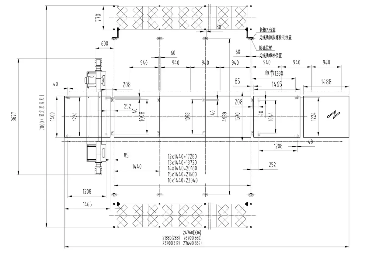
| 288 | 12 | 114.5kW | 81.6kW | Approx. 6kW | 202.1kW | 21880×7000×5300mm |
| 312 | 13 | 126.2kW | 88.4kW | 220.6kW | 23320×7000×5300mm | |
| 336 | 14 | 145.9kW | 95.2kW | 247.2kW | 24760×7000×5300mm | |
| 360 | 15 | 145.9kW | 102kW | 254kW | 26200×7000×5300mm | |
| 384 | 16 | 161.5kW | 108.8kW | 276.3kW | 27640×7000×5300mm | |
| Spindle Pitch | 110mm | |||||
| Max. Mechanical Speed | 1000m/min | |||||
| Applicable Material/Yarn Count Range | Nylon(Polyamide)/22–222 dtex (20–200 denier) | |||||
| Section Pitch | 1440mm | |||||
| False-Twist Texturing Method | Stacked disc type VIII (friction false twist) | |||||
| Friction Disc Size | Ø49.62×6mm | |||||
| Max. Speed of False-Twist Unit | 18000r/min | |||||
| Twist Direction | S/Z adjustable | |||||
| Primary Heater (Texturing Heater) | Biphenyl vapor-phase heating, 2000mm | |||||
| Texturing Heater Temperature Range | 160-250℃ | |||||
| Cooling Plate Length | 1100mm (natural cooling) | |||||
| Friction Roller Diameter | Ø100mm | |||||
| Feed Roller Diameter | Ø75mm | |||||
| Oiling Roller Diameter | Ø30mm | |||||
| Max. Feed POY Package Size | Ø435×250mm | |||||
| Max. Take-up Package Size | Ø250×245mm | |||||
| Standard Package Weight | 5kg | |||||
| Take-up Paper Tube Size | Ø69ר57×290mm | |||||
-
HeaterThe heater in this DTY machine adopts the seventh-generation energy-saving design with biphenyl vapor-phase heating. Temperature control accuracy reaches ±1°C and is displayed on the control screen. An over-temperature alarm and automatic yarn cutting function help maintain uniform dyeing and stable yarn quality during production.
-
Transmission SystemA single-shaft, single-motor direct-drive system is used that removes synchronous belts and tension pulleys from the transmission path for reliability and efficiency. Independent A/B side operation allows separate process settings, enabling the false-twist texturing machine to produce two yarn types at the same time and increasing its flexibility.
-
False TwisterThe DTY texturing machine is equipped with a stacked disc VIII false-twister spindle assembly. Configurations from 1-4-1 to 1-7-1 are available. Ceramic friction discs (Ø49.62 × Ø12 × 6 mm) with 0.5 mm spacing are used together with ceramic inlet guides and slotted outlet discs to support stable yarn processing.
-
Winding SystemA newly designed bobbin holder and winding system is adopted with an updated control algorithm to improve winding precision by three times, keeping winding speed variation within one rotation. Three independent oil grooves and an integrated oiling roller help maintain stable winding and consistent package formation.






